Devis pour le produit

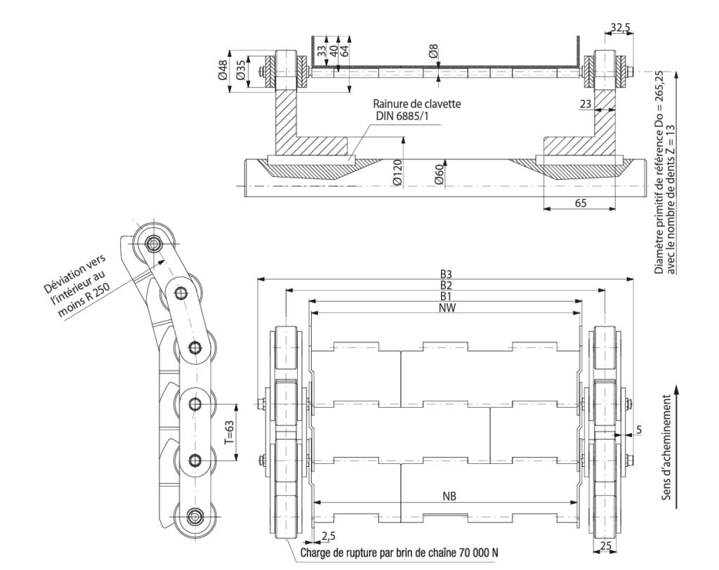
Tapis acier pas de 63 – Espace 25 mm - Volume industriel

Tapis acier pas de 63 – Espace 25 mm

Environnement - Étape 1 sur 5

Produits transportés

Type et matière des copeaux

Copeaux convoyeurs