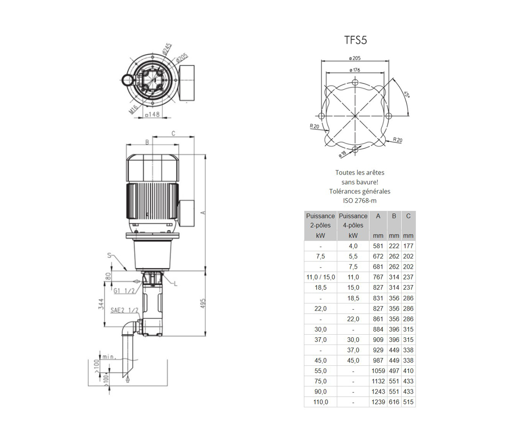
Pompe à haute pression TFS5
50 Hz
Les pompes à haute pression, basées sur le principe de la broche hélicoïdale, atteignent de pressions extrêmement hautes, grâce à leurs carters de broches en carbure de silicium et leurs broches hélicoïdales à haute rigidité.
Elles sont parfaitement appropriées au refoulement de fluides lubrifiant filtés et de lubrifiants caloporteurs (huiles et émulsions).
Les pompes à haute pression ne doivent pas marcher à sec.
Broches hélicoïdales
| Viscosité cinématique : Viscosité plus élevée sur demande |
| Température : Températures plus élevées sur demande |
| Contenu aérien maximum : 3 - 5 vol. % |
| Pré-filtrage recommandé : Tournage, alésage, fraisage < 50 µm, Meulage avec meules CBN < 20 µm. Pour plus amples informations, voir informations techniques mécaniques. |
| Liquides refoulés : Emulsions de refroidissement, Huiles de coupe et de refroidissement, Huiles |