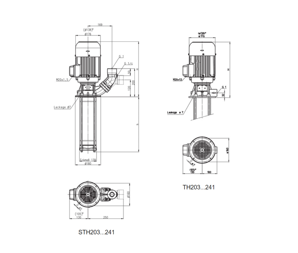
Pompes plongeantes (S)TH2
TH et FH assurent, grâce à leurs roues fermées, un très bon degré de rendement hydraulique.
De ce fait, les types TH permettent d'obtenir des hautes pressions à des profondeurs d'immersion réduites.
Les pompes de la série FH sont conçues pour augmenter la pression sur les centrales de lubrification ou en aval de pompes déjà installées (pression d'entrée jusqu'à 26 bars).
Augmentation de la profondeur d'immersion possible. Voir informations techniques pompes à moyenne pression.
Roues fermées